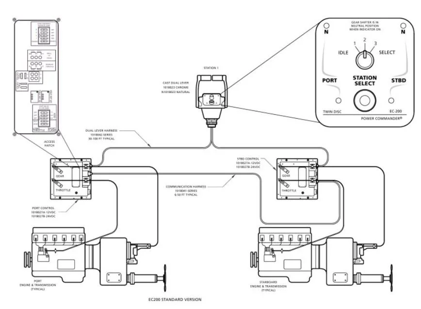
Twin Disc EC 200 Support
Our in-house team has the specialized experience and parts to repair your Twin Disc EC200/250/251/300 Power Commander propulsion controls to original function. We can provide complete bench diagnostics, repairs and refurbishment of these legacy systems to keep your vessel operating reliably into the future to avoid the high cost of upgrading to a new Twin Disc EC600 control system.
To the best of our knowledge, we are the only available servicing facility for these older controls, as Twin Disc no longer supports these legacy systems.
Standard turnaround time for refurbishment is 2-4 weeks.
Rush service is available.
Risk-free Diagnostic Evaluation: If we cannot refurbish your equipment to full function, there is no charge for our efforts.
We also carry a small inventory of refurbished units available for immediate shipment. Contact us with your equipment specifications to learn more.
